微信:15933768555
電話:0312-6188881
QQ:
郵箱:80337535@qq.com
地址:河北省保定市安國水泵工業區
產品名稱:管道增壓泵
流量范圍:Q=100~900m3/h
揚程范圍:H=10~125m
輸送溫度:20~120℃
吸入壓力:0.1Mpa
密封形式:機械密封
密封材質:合金材質
產品應用領域:
管道離心泵,管道循環泵,管道增壓泵,供輸送清水及物理化學性質類似于清水的其他液體之用,管道泵廠家,適用于工業和城市給排水、高層建筑增壓送水、園林噴灌、 消防增壓、遠距離輸送、暖通制冷循環、浴室等冷暖水循環增壓及設備配套,使用溫度T<80℃。
生活小區用水,城市給排水,園林灌溉,管道泵,消防增壓,鍋爐給水泵,空調循環輸送水泵。等各種行業的領域。
管道泵產品優勢:
1、管道泵運行平穩:泵軸與葉輪,泵體,支架連接同心度高平衡好,保證平穩運行。
2 管道泵密封性好:不同材質的輸送選用硬質合金密封不同,從而保證了不同介質輸送均無泄漏。
3、管道泵噪音低:兩個NSK軸承下水泵電機,運轉平穩,除電機微弱聲響,可以無噪聲。
4、故障率低:結構簡單合理,設計合理,正規尺寸,整機無故障,工作時間大大提高。
5、維修方便:更換密封、軸承、簡易方便。
6、占地更省:出口可向左、向右、向上三個方向,便于管道布置安裝,節省空間。
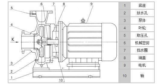
管道泵圖:

聯系方式
河北正泉泵業有限公司
全國咨詢熱線:15933768555
微信:15933768555
郵箱:80337535@qq.com
地址:河北省保定市安國水泵工業區